-kɛcogo tilennin ka baarasolenoid vanne
Solenoid vanne minw be baara kɛ cogo tilennin na, olu be baara kɛ ni jii nɔgɔmanw ye ani minw ka fanga ka dɔgɔ. Ni direct-acting solenoid valve dayɛlɛla, a tɛ yɔrɔ dayɛlɛli fanga ɲini ani a be se ka daminɛ fanga zero la. Walisa k’a ka baara kɛcogo fisaya, a ka ɲi k’a don ni tiyo nɛgɛkunbɛnnan ye min ɲɛsinna sanfɛ. Solenoid vanne minw be baara kɛ cogo tilennin na, u ka bonya ka dɔgɔ, u ka jii be bɔ ani u ka teli ka baara kɛ. U bɛnnin lo baarakɛcogow ma minw ka dayɛlɛli ni datugucogo ka ca wala minw ka ɲi ka datugu joona joona-. O bɛɛ bɛnnin lo kɛrɛnkɛrɛnnin na ka solenoid vanne minw be baara kɛ cogo tilennin na, olu sugandi.

Solenoid vanne minw be baara kɛ cogo tilennin na, olu ka baarakɛcogo sariyakolo
Direct-acting solenoid valve: Ni kuran donna a la, kuran yɛlɛmayɔrɔ be kuran fanga bɔ ka yɛlɛma yɛlɛma ka bɔ yɛlɛmalan sigiyɔrɔ la, ka yɛlɛmalan dayɛlɛ. Ni kuran tigɛra, kuran fanga be tunu ani pɔrɔn be nɛgɛkunbɛnnan digi nɛgɛkunbɛnnan sigiyɔrɔ kan, o min be nɛgɛkunbɛnnan datugu.
Normalement closed direct-acting solenoid valve: Ni kuran donna a la, kuranbɔlan be kuran fanga bɔ min be se ka yɔrɔ minw be tagama (vanne sɔgɔlan, vanne nɛgɛ, yɔrɔ minw be datugu) wuli ka bɔ vanne sigiyɔrɔ la, ani vanne be dayɛlɛ. Ni kuran tigɛra, pɔrɔn fanga be yɔrɔ minw be tagama, u digi nɛgɛkunbɛnnan sigiyɔrɔ la ani nɛgɛkunbɛnnan be datugu.
Normalement ouvert direct-acting solenoïde valve: A ka baara sira be ɲɔgɔn sɔsɔ ni normalement fermé type ye.
Solenoid vanne min be baara kɛ ka ɲɛ, o jatebɔsɛbɛn
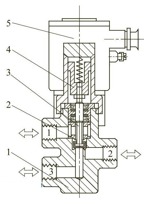
O yɔrɔ fitinin-diamɛtiri direct-solenoid valve (jaaw 1nan) bonya tɔgɔla tɛ tɛmɛ DN10 kan. Nɛgɛkuru min be tagama, o dugumayɔrɔ be don ni nɛgɛdaga ye min be nɛgɛdaga datugu. Nɛgɛ nɛgɛ min be tagama, o sanfɛ ni duguma yɛlɛmani be se ka yɛlɛma don -off la, o la, a be weele ko direct-acting solenoid valve.

Jaa 1: Solenoid vanne fitinin -bonya tilennin - min be baara kɛ
1 - Vali farikolo; 2 - Tile; 3 - Vanne datugulan; 4 - Nɛgɛ nɛgɛ min be tagama; 5 - Kɔli; 6 - Nɛgɛ min be yɛlɛma yɛlɛma
Solenoïde directement-acting bidirectionnel solenoïde O solenoïde sugu ka baarakɛcogo ka ɲi ani a be se ka la a la. A ka baarakɛcogo fanga be se ka daminɛ 0 (faran danfara tɛ yen) ka taga se 4,0MPa ma, ani a ka ɲi kɛrɛnkɛrɛnnin na yɔrɔ lakolonw na, fanga min ka fanga ka dɔgɔ ni 1,33×10-7 mpa ye wala a ka kan n’o ye. O valve be se ka medium jigi sɔrɔ ɲɛfɛ ani kɔfɛ fan fila bɛɛ la (ni datugulan ye fan fila bɛɛ la).

Jaa 2nan: Solenoid vanne min be baara kɛ sira fila kan
1 - Kurankunkolo; 2 - Nɛgɛ nɛgɛ min be tagama; 3 - Vanne yiriw lajɛnnin; 4 - Vanne sigiyɔrɔ; 5 - Vanne farikolo
Solenoid vanne minw be baara kɛ cogo tilennin na ani u bonya ka dɔgɔ (jaaw 3nan) u ka ca kosɔbɛ Sinuwa jamana na, u ka ca a la, u be daminɛ 0 la ka taga se 1,0MPa ma. Solenoid vanne minw be baara kɛ cogo tilennin na ani u bonya ka dɔgɔ ni DN3 ye wala u be bɛn n’a ye, u be baara kɛ n’u ye kosɔbɛ jamana kɔnɔ ani jamana kɔkan, u fanba be baara kɛ i n’a fɔ pilɔti vanne solenoïde pneumatique multi-sira caaman kama.

Jaa 3nan: Solenoid vanne min be baara kɛ sira saba kan
Nka, solenoid vanne belebelew-diamɛtiri saba-sira, naani-sira (duuru-sira) minw bonya be daminɛ DN12 la ka taga se 50 ma, yɔrɔ dɔ tun be yen tuma bɛɛ Sinuwa jamana na ka tɛmɛ. Alemaɲi ka HERI-ON baarakɛyɔrɔ ka dilanni fɛɛrɛ donnin kɔ Sinuwaw ka jamana na, dumuni yɛlɛmani ni yɛlɛmani sababu la, jamana kɔnɔ dilanni sɔrɔla. A tɛ kɛ dɔrɔn i n’a fɔ solenoid valve min be se ka baara kɛ ni ji ye ani fiɲɛ ye.
O tilennin -yɔrɔ fila-yɔrɔ saba-sira solenoid valve (jaaw 4nan) be se ka baara naani kɛ: a datugunin lo cogo bɛnnin na, a dayɛlɛnin lo cogo bɛnnin na, a be kɔsegi ani a be ɲɔgɔn sɔrɔ, ka kɛɲɛ n’a ka ɲɔgɔndan tiyo ye.
Solenoïde directement-acting bidirectionnel solenoïde O solenoïde sugu ka baarakɛcogo ka ɲi ani a be se ka la a la. A ka baarakɛcogo fanga be se ka daminɛ 0 (faran danfara tɛ yen) ka taga se 4,0MPa ma, ani a ka ɲi kɛrɛnkɛrɛnnin na yɔrɔ lakolonw na, fanga min ka fanga ka dɔgɔ ni 1,33×10-7 mpa ye wala a ka kan n’o ye. O valve be se ka medium jigi sɔrɔ ɲɛfɛ ani kɔfɛ fan fila bɛɛ la (ni datugulan ye fan fila bɛɛ la).

Jaa 4nan: Tilen-baara fila-yɔrɔ saba-sira solenoid vanne
1 - Vali farikolo; 2 - Vanne sigiyɔrɔ; 3 - Vanne sɛrɛkili lajɛn; 4 - Nɛgɛ nɛgɛ min be tagama; 5 - Kuran kungolo
Donyɔrɔ ani baarakɛyɔrɔ sira (a dayɛlɛnin lo ani a datugunin lo) tilennin-yɔrɔ fila-yɔrɔ naani-sira solenoid (jaaw 5nan) ani yɔrɔ fila-yɔrɔ duuru-sira solenoid yɔrɔ la, o be sigi sen kan. O la, direct-action fila-yɔrɔ naani-solenoid vanne be "A" ni "B" baarakɛyɔrɔw ka bɔyɔrɔw fara ɲɔgɔn kan ka kɛ kelen ye, ka direct-action fila-yɔrɔ fila-solenoid vanne dilan.

Jaa 5nan: tilennin-baarakɛla fila-yɔrɔ naaninan-sira (fila-yɔrɔ duuru-sira) solenoid vanne
1 - Vali farikolo; 2 - Vanne sigiyɔrɔ; 3 - Vanne sɛrɛkili lajɛn; 4 - Tagamasiɲɛ nɛgɛ; 5 - Nɛgɛ nɛgɛ min be tagama; 6 - Labɛn kura; 7 - Kuran kungolo
Sanfɛla la, baarakɛcogo sariya min be sɔrɔ direct-solenoid valves ani direct-acting solenoid kɔnɔkow labɛncogo jatebɔsɛbɛn kɔnɔ, walisa ka kunnafoni wɛrɛw lɔn minw ɲɛsinna o ma, u be sɔrɔ yɔrɔ nin na .O yɔrɔ la, mɔgɔw be se ka ɲɔgɔn minɛ.
